Vaya al Contenido
ESQUEMAS - Chimeneas Sue
Saltar menú
×
INICIO
CHIMENEAS
BIOMASA
ESQUEMAS
SITUACIÓN
PRESUPUESTOS-EMAIL
Saltar menú
×
INICIO
CHIMENEAS
BIOMASA
ESQUEMAS
SITUACIÓN
PRESUPUESTOS-EMAIL
ESQUEMAS
Chimeneas Sue
Polígono Ugaldeguren,1
Parcela 8 Nave 2
48170 - Zamudio - Bizkaia
NUESTRAS
MARCAS
ESQUEMAS
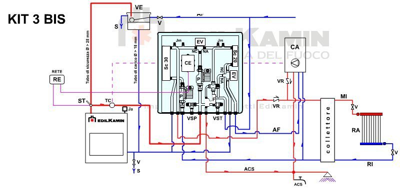
Muestra de diferentes tipos de instalaciones para calderas, termochimeneas o termoestufas.
Regreso al contenido
Para utilizar este sitio tienes que habilitar JavaScript.